
Modul Dreh-/Linearantrieb
- Einfache Integration
- Autonomes System
- Verwaltung von Position, Geschwindigkeit, Aufwand
- Steuerbar über einen externen Sollwert (Servoeinstellungen)
Getestete Produkte
Branchen
Funktionen
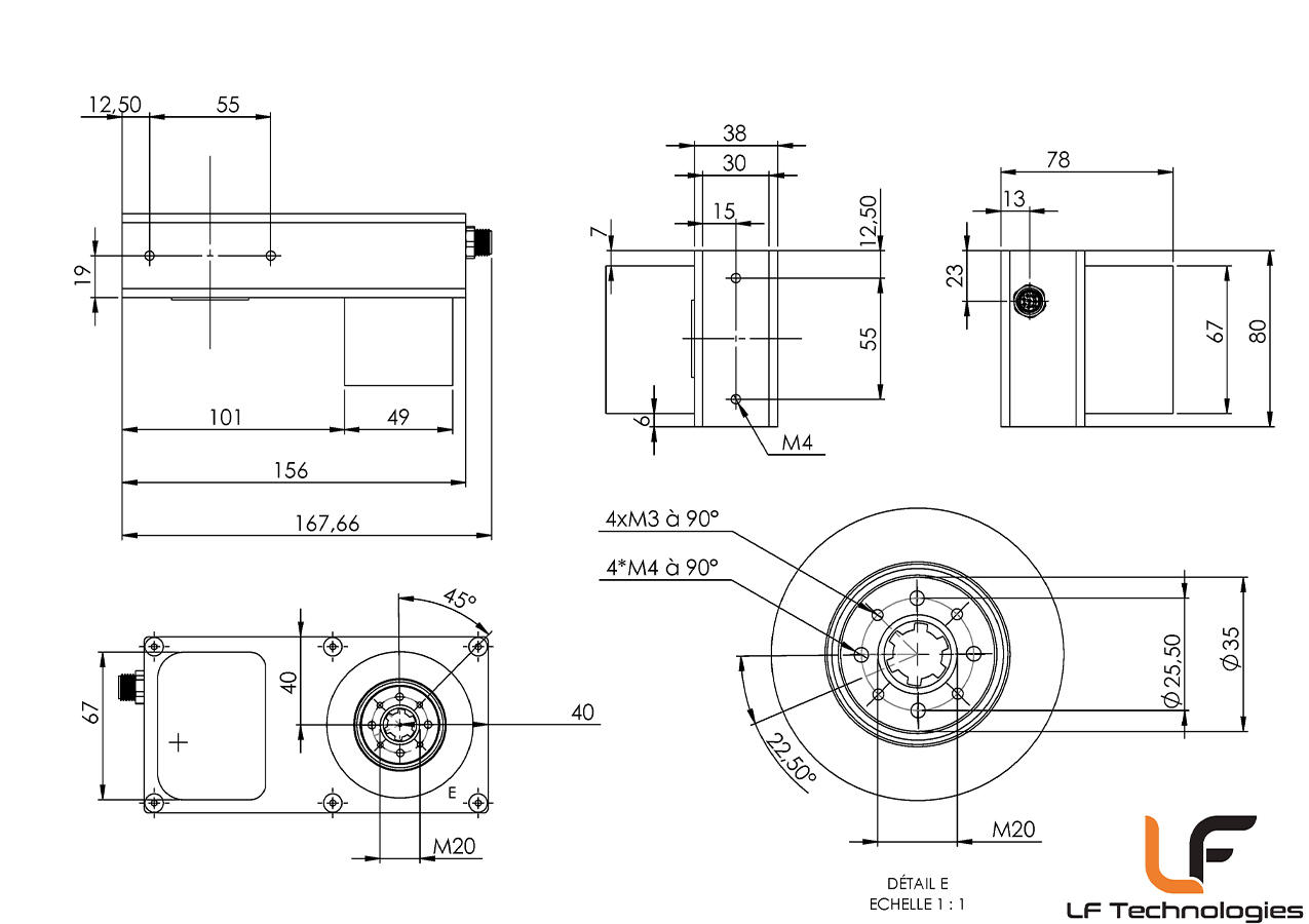
Drehbarer Antrieb
Beschreibung
Der Drehantrieb ist ein Servomotor, der mit einer Drehmomentmessung und einer absoluten Winkelpositionsmessung über 1 Umdrehung ausgestattet ist.
Der Drehantrieb ermöglicht Drehbewegungen. Er kann in Bezug auf Position, Geschwindigkeit und Drehmoment gesteuert werden.
Er ist mit einer geriffelten Hohlwelle ausgestattet, die eine Vielzahl von Werkzeugen aufnehmen kann. Außerdem kann er mit einem Linearantrieb gekoppelt werden, um translatorische und rotatorische Bewegungen zu kombinieren (z.B. um mechanische Einhandmischer zu betätigen).
Eigenschaften des Materials
- Max. Drehmoment von 3,7 bis 25 N.m
- Max. Geschwindigkeit 30 bis 214 U/min.
- Positions-, Geschwindigkeits- oder Drehmomentsteuerung
- Das Übertragungssystem kann entweder über Keilnuten oder über eine Platte mit 4 Gewindebohrungen erfolgen.
- M12 8-Punkt-Anschluss (Leistung + Kommunikation)
- Möglichkeit, einen durchgehenden Baum zu verwenden
- Integrierte Steuerelektronik
- Parametrierung der Bewegungen über eine spezielle Anwendung oder direkte Ethernet-Kommunikation für die Integration
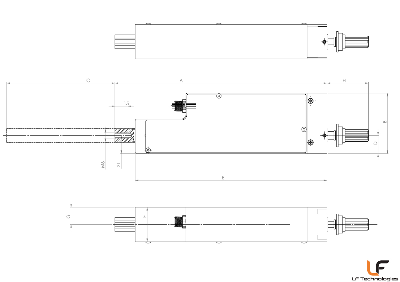
Linearer Antrieb
Beschreibung
Der Linearantrieb ist ein elektrischer Zylinder, der mit einer Kraftmessung und einer absoluten Positionsmessung ausgestattet ist
Der Linearantrieb ermöglicht Translationsbewegungen und kann in Position, Geschwindigkeit und Kraft gesteuert werden.
Er ist mit einer geriffelten Hohlwelle ausgestattet, die eine Vielzahl von Werkzeugen aufnehmen kann. Außerdem kann er mit einem Drehantrieb gekoppelt werden, um translatorische und rotatorische Bewegungen zu kombinieren (z.B. zur Betätigung von mechanischen Einhandmischern).
Eigenschaften des Materials
- Max. Kraft reicht von 179 bis 325 N.
- Geschwindigkeit von 190 bis 300 mm/s
- Hub 55 bis 245 mm
- Positions-, Geschwindigkeits- oder Kraftsteuerung
- M12 8-Punkt-Anschluss (Leistung + Kommunikation)
- Integrierte Steuerelektronik
- Parametrierung der Bewegungen über eine spezielle Anwendung oder direkte Ethernet-Kommunikation für die Integration
Technologie
- Schrittmotoren
- Integrierter Dimmer
- Absolute Positionsmessung
- Integrierte Kraft- und Drehmomentmessung

connecteurM12

connecteurM12-wire-list-rotatif

plan actionneur lineaire

Plan actionneur Rotatif

tableau-descriptif-technique

Tableau Descriptif Technique Actionneur Rotatif

Montage actionneur rotatif
Montage des Drehstellers

Actionneur linéaire
Linearer Antrieb

Actionneur linéaire vue interne
Innenansicht des Linearantriebs

Actionneur linéaire vue coupe
Schnitt durch den Linearantrieb

Actionneur linéaire
Linearer Antrieb

Exemple de montage pour robinetterie
Montagebeispiel für Armaturen

Montage actionneurs
Montage von Aktuatoren

Essai écrasement balle
Versuch, einen Ball zu zerquetschen

Actionneur Rotatif
Drehbarer Antrieb

Plan-connecteur-actionneur-lineaire-new
Plan Connecteur Actionneur Linéaire
Anwendungen mit diesem Modul
Möchten Sie mehr über unsere speziellen Produktionsmaschinen erfahren?
Erfahren Sie mehr über die Anwendungen unserer Spezialmaschinen für unsere Kunden.
ERGÄNZENDE MODULE
Entdecken Sie unsere Zusatzmodule, um das Beste aus Ihrer Spezialmaschine herauszuholen!
Entdecken Sie innovative Lösungen, um Ihre Erfahrung zu bereichern und Ihre Ergebnisse zu optimieren.